当前位置: 首页 > 知识产权交易 > 专利转让 >

待交易一种电感元件CCD检测装置

专利号:CN202020128148.4 已授权

申请日:2022-12-08发布日期:2022-12-08

立即收藏 立即询价 转让价格:询价

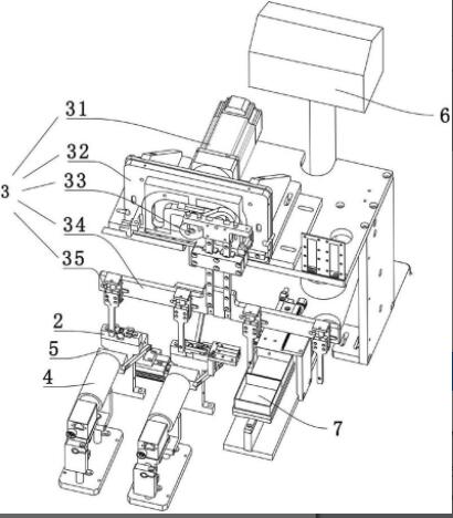
专利摘要

 本实用新型涉及一种电感元件CCD检测装置,包括工作台及其上的固定治具、输送装置、CCD相机、光源装置和显示器,所述固定治具固定安装在所述工作台上,所述输送装置安装在所述固定治具上方,所述CCD相机安装在所述固定治具前侧,所述CCD相机与所述固定治具正对设置,所述CCD相机下方安装有光源装置,所述显示器安装在所述输送装置的上方;所述固定治具用于放置待检测电感元件;所述输送装置用于转运电感元件;所述CCD相机用于拍摄电感元件;所述光源装置用于提供光照;所述显示器用于显示电感器外观。本实用新型的电感元件CCD检测装置能自动化检测电感元件的外观,检测效率高,出错率低。

交易流程

  • 平台资深顾问将根据买家的需求,提供一对一服务,协助买家挑选到合适的专利。

  • 待买家确认无误后,根据顾问指导进行下单,并签订协议与合同,买家需要支付50%交易款给平台。

  • 平台将负责办理官方变更手续,向国知局提交转让材料。

  • 约10个工作日左右,待买家确认收到专利《变更手续合格通知书》后,向平台支付剩余交易款。

  • 转让成功后,平台会将专利证书原件、专利登记簿副本原件邮寄给买家,同时把交易尾款支付给卖家,保障双方交易顺利。

过户资料

主体资格 转让方提供 受让方提供 平台提供 转让完成,可获得
自然人 身份证复印件,专利证书原件; 身份证复印件
有效个体营业执照
转让申请书
代理委托书
转让协议书
发明人变更声明
专利证书
手续合格通知书
专利登记簿副本
公司 有效的企业营业执照副本复印件,专利证书原件 有效的企业营业执照副本复印件;企业组织机构代码证
平台专属代理事务所将对委托交易全程监督,确保所有交易合同及相关文件合法有效。

发布求购信息