当前位置: 首页 > 知识产权交易 > 专利转让 >

待交易一种防石墨炸弹破坏的装置

专利号:CN202121851616.1 已授权

申请日:2022-12-26发布日期:2022-12-26

立即收藏 立即询价 转让价格:询价

专利摘要

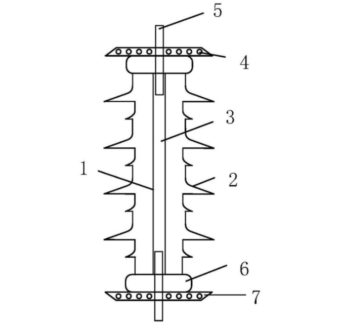
本实用新型公开了一种防石墨炸弹破坏的装置,属于防雷灭弧技术领域,包括绝缘子串本体,绝缘子串本体内部设置为空心结构,空心结构内套设有绝缘管,绝缘管的外侧设置有保护套管,保护套管上设置有裙边,绝缘子串本体两端设置有固定座,并密封设置,绝缘管内设置有绝缘液体,固定座上设置有电极,电极穿过固定座,伸入到绝缘管内。本实用新型截断电弧迅速,电弧在液体中放电产生液电效应,迅速形成冲击压力波,冲击电弧在刚刚形成之时就立即被截断,减少碳排放,液体介质替代了原有的导电金属,更加安全清洁,有效减少碳排放,恢复绝缘性能,灭弧时,有强气流喷出,将石墨纤维剥离绝缘子串的外表面,保护绝缘子串的绝缘性能,有效防止了石墨炸弹的破坏。

交易流程

  • 平台资深顾问将根据买家的需求,提供一对一服务,协助买家挑选到合适的专利。

  • 待买家确认无误后,根据顾问指导进行下单,并签订协议与合同,买家需要支付50%交易款给平台。

  • 平台将负责办理官方变更手续,向国知局提交转让材料。

  • 约10个工作日左右,待买家确认收到专利《变更手续合格通知书》后,向平台支付剩余交易款。

  • 转让成功后,平台会将专利证书原件、专利登记簿副本原件邮寄给买家,同时把交易尾款支付给卖家,保障双方交易顺利。

过户资料

主体资格 转让方提供 受让方提供 平台提供 转让完成,可获得
自然人 身份证复印件,专利证书原件; 身份证复印件
有效个体营业执照
转让申请书
代理委托书
转让协议书
发明人变更声明
专利证书
手续合格通知书
专利登记簿副本
公司 有效的企业营业执照副本复印件,专利证书原件 有效的企业营业执照副本复印件;企业组织机构代码证
平台专属代理事务所将对委托交易全程监督,确保所有交易合同及相关文件合法有效。

发布求购信息