当前位置: 首页 > 知识产权交易 > 专利转让 >

待交易一种可自动折叠短焦投影机

专利号:CN202122518368.5 已授权

申请日:2022-12-27发布日期:2022-12-27

立即收藏 立即询价 转让价格:询价

专利摘要

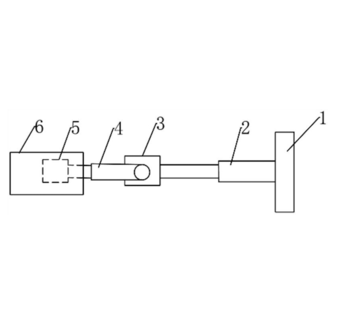
本实用新型公开了一种可自动折叠短焦投影机,属于短焦投影机领域。可自动折叠短焦投影机包括固定设置在墙体上的固定座,固定座上连接有第一伸缩杆,第一伸缩杆远离固定座的一端连接有第一转动机构,第一转动机构与第一伸缩杆相对一侧上连接有第二伸缩杆,第二伸缩杆远离第一转动机构的一端连接有第二转动机构,第二转动机构上连接有短焦投影机本体。本实用新型的可自动折叠短焦投影机,自动化程度高,可实现投影机自动折叠,节省使用空间,并且可根据需求,灵活操作折叠,增加适用性。

交易流程

  • 平台资深顾问将根据买家的需求,提供一对一服务,协助买家挑选到合适的专利。

  • 待买家确认无误后,根据顾问指导进行下单,并签订协议与合同,买家需要支付50%交易款给平台。

  • 平台将负责办理官方变更手续,向国知局提交转让材料。

  • 约10个工作日左右,待买家确认收到专利《变更手续合格通知书》后,向平台支付剩余交易款。

  • 转让成功后,平台会将专利证书原件、专利登记簿副本原件邮寄给买家,同时把交易尾款支付给卖家,保障双方交易顺利。

过户资料

主体资格 转让方提供 受让方提供 平台提供 转让完成,可获得
自然人 身份证复印件,专利证书原件; 身份证复印件
有效个体营业执照
转让申请书
代理委托书
转让协议书
发明人变更声明
专利证书
手续合格通知书
专利登记簿副本
公司 有效的企业营业执照副本复印件,专利证书原件 有效的企业营业执照副本复印件;企业组织机构代码证
平台专属代理事务所将对委托交易全程监督,确保所有交易合同及相关文件合法有效。

发布求购信息