当前位置: 首页 > 知识产权交易 > 专利转让 >

待交易一种用于无缝管成形冲剪一体冲模

专利号:CN202122748099.1 已授权

申请日:2022-12-29发布日期:2022-12-29

立即收藏 立即询价 转让价格:询价

专利摘要

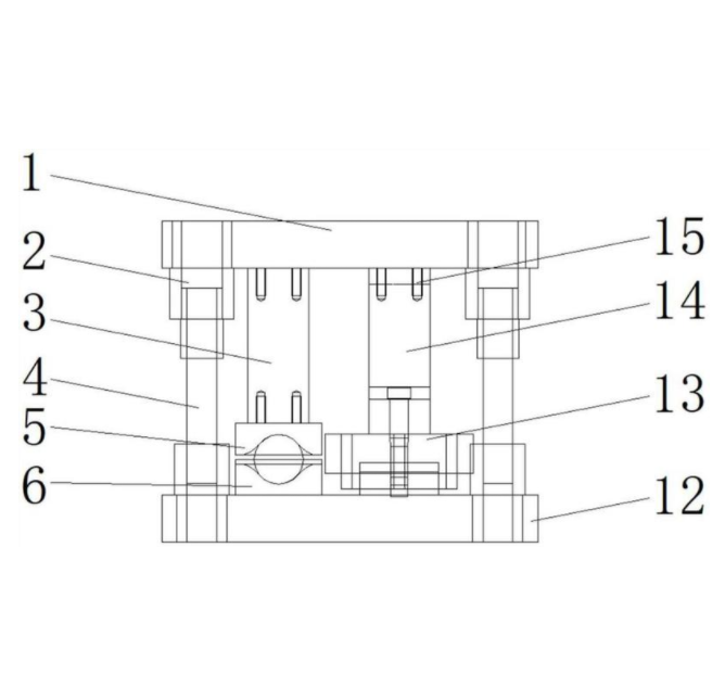
本实用新型公开了一种用于无缝管成形冲剪一体冲模,包括上顶板座、导向轴和下底板座,所述下底板座的顶部等距安装有导向轴,所述导向轴之间固定安装有下压块,所述下压块的顶部活动安装有退料板,所述下压块的一侧固定设置有下刀片,所述导向轴的顶部贯穿安装有上顶板座,所述上顶板座的底部活动安装有导向压块垫板,所述导向压块垫板的一侧等距安装有活动刀架。本实用新型通过在下压块的一侧固定设置有下刀片,能够利用该用于无缝管成形冲剪一体冲模将无缝管进行压扁、冲孔及剪切,实现无缝管成形,达到一模多用的效果,和现在加工技术对比,是另外一种加工工艺,有效提升了标准节内撑杆的加工效率。

交易流程

  • 平台资深顾问将根据买家的需求,提供一对一服务,协助买家挑选到合适的专利。

  • 待买家确认无误后,根据顾问指导进行下单,并签订协议与合同,买家需要支付50%交易款给平台。

  • 平台将负责办理官方变更手续,向国知局提交转让材料。

  • 约10个工作日左右,待买家确认收到专利《变更手续合格通知书》后,向平台支付剩余交易款。

  • 转让成功后,平台会将专利证书原件、专利登记簿副本原件邮寄给买家,同时把交易尾款支付给卖家,保障双方交易顺利。

过户资料

主体资格 转让方提供 受让方提供 平台提供 转让完成,可获得
自然人 身份证复印件,专利证书原件; 身份证复印件
有效个体营业执照
转让申请书
代理委托书
转让协议书
发明人变更声明
专利证书
手续合格通知书
专利登记簿副本
公司 有效的企业营业执照副本复印件,专利证书原件 有效的企业营业执照副本复印件;企业组织机构代码证
平台专属代理事务所将对委托交易全程监督,确保所有交易合同及相关文件合法有效。

发布求购信息