当前位置: 首页 > 知识产权交易 > 专利转让 >

待交易一种磁芯纠偏机

专利号:CN202122837758.9 已授权

申请日:2022-12-30发布日期:2022-12-30

立即收藏 立即询价 转让价格:询价

专利摘要

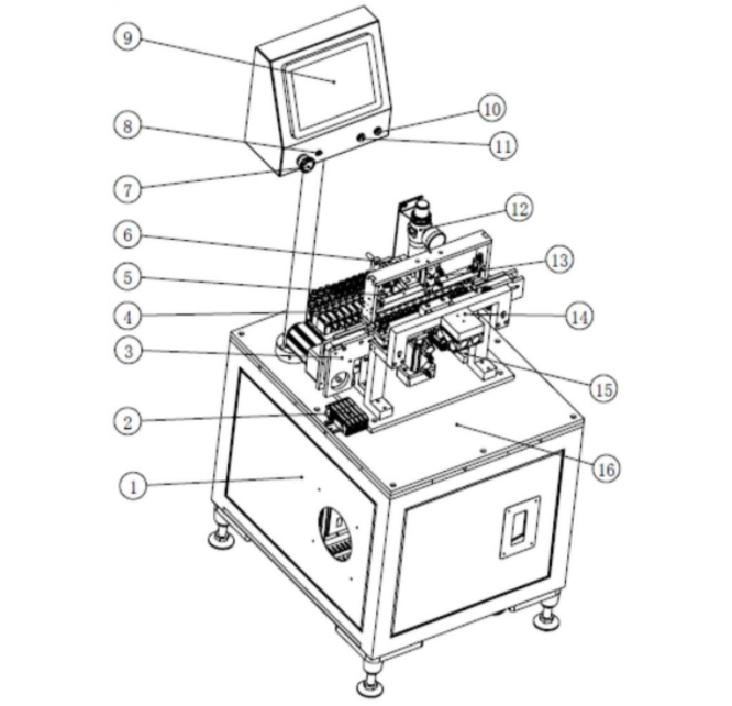
本实用新型提供一种磁芯纠偏机,属于磁芯自动纠偏装置领域,包括设备机台电箱,设备机台电箱的上端设置有设备机架平台,设备机架平台上设置有进出料机构,进出料机构的一侧设置有后磁环定位机构和后磁芯纠偏机构,后磁芯纠偏机构设置在后磁环定位机构的上方,进出料机构的另一侧设置有前磁芯纠偏机构和前磁环定位机构,前磁芯纠偏机构设置在前磁环定位机构的上方,进出料机构的正上方设置有治具定位压制品机构。本实用新型通过自动化设备进行磁芯与磁环自动居中纠正,磁环定位机构进行定位固定,然后通过磁芯纠偏,一次可以对多个制品进行纠偏,降低产品产生错位不良现象,代替手工繁杂作业,降低成本投入,提高生产品质和效率。

交易流程

  • 平台资深顾问将根据买家的需求,提供一对一服务,协助买家挑选到合适的专利。

  • 待买家确认无误后,根据顾问指导进行下单,并签订协议与合同,买家需要支付50%交易款给平台。

  • 平台将负责办理官方变更手续,向国知局提交转让材料。

  • 约10个工作日左右,待买家确认收到专利《变更手续合格通知书》后,向平台支付剩余交易款。

  • 转让成功后,平台会将专利证书原件、专利登记簿副本原件邮寄给买家,同时把交易尾款支付给卖家,保障双方交易顺利。

过户资料

主体资格 转让方提供 受让方提供 平台提供 转让完成,可获得
自然人 身份证复印件,专利证书原件; 身份证复印件
有效个体营业执照
转让申请书
代理委托书
转让协议书
发明人变更声明
专利证书
手续合格通知书
专利登记簿副本
公司 有效的企业营业执照副本复印件,专利证书原件 有效的企业营业执照副本复印件;企业组织机构代码证
平台专属代理事务所将对委托交易全程监督,确保所有交易合同及相关文件合法有效。

发布求购信息