当前位置: 首页 > 知识产权交易 > 专利转让 >

待交易一种防止漏烟的承插型接头成品烟道安装装置及安装方法

专利号:CN202010499179.5 已授权

申请日:2023-01-17发布日期:2023-01-17

立即收藏 立即询价 转让价格:询价

专利摘要

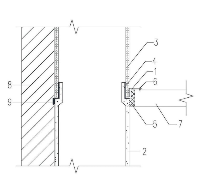
本发明公开了一种防止漏烟的承插型接头成品烟道安装装置及安装方法,属于建筑领域,包括下层烟道和上层烟道,所述下层烟道和上层烟道通过设置Z型承托板固定,所述Z型承托板固定在楼板上。通过Z型承托板能够承担上部成品烟道标准段的重量,与现有承托构件相比较,承托连接部位可以均匀连接,降低由于砂浆不均匀导致的开裂情况,且安装方便,便于应用推广;上下层成品烟道标准段连接在楼板断面的中部。成品烟道标准段端部设计为承插型接头,上下两层的成品烟道通过承插型的连接方式能够有效解决由于砂浆开裂带来的漏烟问题。

交易流程

  • 平台资深顾问将根据买家的需求,提供一对一服务,协助买家挑选到合适的专利。

  • 待买家确认无误后,根据顾问指导进行下单,并签订协议与合同,买家需要支付50%交易款给平台。

  • 平台将负责办理官方变更手续,向国知局提交转让材料。

  • 约10个工作日左右,待买家确认收到专利《变更手续合格通知书》后,向平台支付剩余交易款。

  • 转让成功后,平台会将专利证书原件、专利登记簿副本原件邮寄给买家,同时把交易尾款支付给卖家,保障双方交易顺利。

过户资料

主体资格 转让方提供 受让方提供 平台提供 转让完成,可获得
自然人 身份证复印件,专利证书原件; 身份证复印件
有效个体营业执照
转让申请书
代理委托书
转让协议书
发明人变更声明
专利证书
手续合格通知书
专利登记簿副本
公司 有效的企业营业执照副本复印件,专利证书原件 有效的企业营业执照副本复印件;企业组织机构代码证
平台专属代理事务所将对委托交易全程监督,确保所有交易合同及相关文件合法有效。

发布求购信息