当前位置: 首页 > 知识产权交易 > 专利转让 >

待交易一种免线桥架电缆

专利号:CN202021644279.4 已授权

申请日:2023-01-28发布日期:2023-01-28

立即收藏 立即询价 转让价格:询价

专利摘要

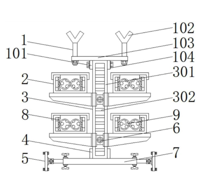
本实用新型公开了一种免线桥架电缆,包括吊顶组件、桥架本体和固定组件,所述固定组件的表面等距设置有桥架本体,所述桥架本体与固定组件之间皆活动安装有紧固栓。本实用新型通过在固定组件的表面等距设置有桥架本体,能够利用托臂对电缆槽进行支撑,接着利用电缆槽对电缆本体进行分类存放,然后利用分隔块之间的空隙配合紧固栓将托臂进行固定,接着利用盖板对电缆槽进行密封,方便工作人员对电缆本体进行保护,再利用插槽与固定槽进行活动连接,接着调节伸缩杆的长度,然后拧紧调节栓进行固定,接着利用安装槽与伸缩杆进行活动连接,然后拧紧连接栓进行固定,接着利用安装栓将安装板安装在墙体的两侧,便于工作人员进行加固工作。

交易流程

  • 平台资深顾问将根据买家的需求,提供一对一服务,协助买家挑选到合适的专利。

  • 待买家确认无误后,根据顾问指导进行下单,并签订协议与合同,买家需要支付50%交易款给平台。

  • 平台将负责办理官方变更手续,向国知局提交转让材料。

  • 约10个工作日左右,待买家确认收到专利《变更手续合格通知书》后,向平台支付剩余交易款。

  • 转让成功后,平台会将专利证书原件、专利登记簿副本原件邮寄给买家,同时把交易尾款支付给卖家,保障双方交易顺利。

过户资料

主体资格 转让方提供 受让方提供 平台提供 转让完成,可获得
自然人 身份证复印件,专利证书原件; 身份证复印件
有效个体营业执照
转让申请书
代理委托书
转让协议书
发明人变更声明
专利证书
手续合格通知书
专利登记簿副本
公司 有效的企业营业执照副本复印件,专利证书原件 有效的企业营业执照副本复印件;企业组织机构代码证
平台专属代理事务所将对委托交易全程监督,确保所有交易合同及相关文件合法有效。

发布求购信息