当前位置: 首页 > 知识产权交易 > 专利转让 >

待交易一种多功能电器控制集成配电装置

专利号:CN202022805129.3 已授权

申请日:2023-02-01发布日期:2023-02-01

立即收藏 立即询价 转让价格:询价

专利摘要

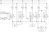
本实用新型公开了一种多功能电器控制集成配电装置,包括继电器K1~K5、保险丝F1~F7、BMS和充电枪,通过充电枪的正负极信号来控制继电器K1线圈的得电和失电,从而控制继电器K1的通断,当继电器K1输出+24V电源和信号时,+24V电源和信号用来控制继电器K2~K5的通断,经过控制继电器K2~K5的通断来为BMS、水泵、车载TBOX以及整车控制器等提供电源,能够在充电时确保整车控制器、BMS等设备的正常工作,满足了国家对新能源汽车的监控需求。该配电装置集成了多路保险丝和继电器,减少了额外布线,提高了客车配电的安全性。

交易流程

  • 平台资深顾问将根据买家的需求,提供一对一服务,协助买家挑选到合适的专利。

  • 待买家确认无误后,根据顾问指导进行下单,并签订协议与合同,买家需要支付50%交易款给平台。

  • 平台将负责办理官方变更手续,向国知局提交转让材料。

  • 约10个工作日左右,待买家确认收到专利《变更手续合格通知书》后,向平台支付剩余交易款。

  • 转让成功后,平台会将专利证书原件、专利登记簿副本原件邮寄给买家,同时把交易尾款支付给卖家,保障双方交易顺利。

过户资料

主体资格 转让方提供 受让方提供 平台提供 转让完成,可获得
自然人 身份证复印件,专利证书原件; 身份证复印件
有效个体营业执照
转让申请书
代理委托书
转让协议书
发明人变更声明
专利证书
手续合格通知书
专利登记簿副本
公司 有效的企业营业执照副本复印件,专利证书原件 有效的企业营业执照副本复印件;企业组织机构代码证
平台专属代理事务所将对委托交易全程监督,确保所有交易合同及相关文件合法有效。

发布求购信息