当前位置: 首页 > 知识产权交易 > 专利转让 >

待交易一种铝电解槽废耐火材料处理系统

专利号:CN202022918227.8 已授权

申请日:2023-02-01发布日期:2023-02-01

立即收藏 立即询价 转让价格:询价

专利摘要

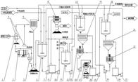
本实用新型公开了一种铝电解槽废耐火材料处理系统,属于铝电解大修渣处理领域。该处理系统包括破碎研磨模块、集烟模块、水浸过滤模块、一级沉氟模块、二级沉氟模块、碱浸过滤模块、中和过滤模块和烟气处理模块,所述破碎研磨模块、所述水浸过滤模块、所述一级沉氟模块、所述二级沉氟模块、所述碱浸过滤模块、所述中和过滤模块依次连接,所述破碎研磨模块、所述集烟模块、所述水浸过滤模块、所述一级沉氟模块、所述二级沉氟模块、所述碱浸过滤模块、所述中和过滤模块均与所述烟气处理模块连接。本实用新型实现了铝电解槽废耐火材料无害化处理,还在一定程度上实现了大修渣的资源化。

交易流程

  • 平台资深顾问将根据买家的需求,提供一对一服务,协助买家挑选到合适的专利。

  • 待买家确认无误后,根据顾问指导进行下单,并签订协议与合同,买家需要支付50%交易款给平台。

  • 平台将负责办理官方变更手续,向国知局提交转让材料。

  • 约10个工作日左右,待买家确认收到专利《变更手续合格通知书》后,向平台支付剩余交易款。

  • 转让成功后,平台会将专利证书原件、专利登记簿副本原件邮寄给买家,同时把交易尾款支付给卖家,保障双方交易顺利。

过户资料

主体资格 转让方提供 受让方提供 平台提供 转让完成,可获得
自然人 身份证复印件,专利证书原件; 身份证复印件
有效个体营业执照
转让申请书
代理委托书
转让协议书
发明人变更声明
专利证书
手续合格通知书
专利登记簿副本
公司 有效的企业营业执照副本复印件,专利证书原件 有效的企业营业执照副本复印件;企业组织机构代码证
平台专属代理事务所将对委托交易全程监督,确保所有交易合同及相关文件合法有效。

发布求购信息